Производство гидравлических узлов

Не зависьте от перепадов температур

Наличие собственного производства позволяет нам изготавливать смесительные узлы для проектов любой сложности. Помимо стандартных моделей, совместимых с типовым оборудованием, доступна опция создания уникальных устройств по специальному заказу.

Наша команда также предоставляет услуги подбора, установки и обслуживания смесительных узлов.

Смесительные узлы на заказ

Наш цех производит гидравлические узлы под ключ с учётом индивидуальных требований, потребностей заказчика и особенностей конкретного объекта.

В наших проектах не бывает мелочей

На старте проекта наше конструкторское бюро разрабатывает детализированные чертежи оборудования, которым мы строго следуем на каждом этапе работ. Благодаря наличию готовой документации мы можем быстро произвести большое количество однотипных изделий и исключить вероятность ошибок при монтаже — даже на самых сложных объектах.

Вы можете быть уверены: смесительный узел будет ровно таким, как запланировано, и идеально подойдет по всем параметрам.

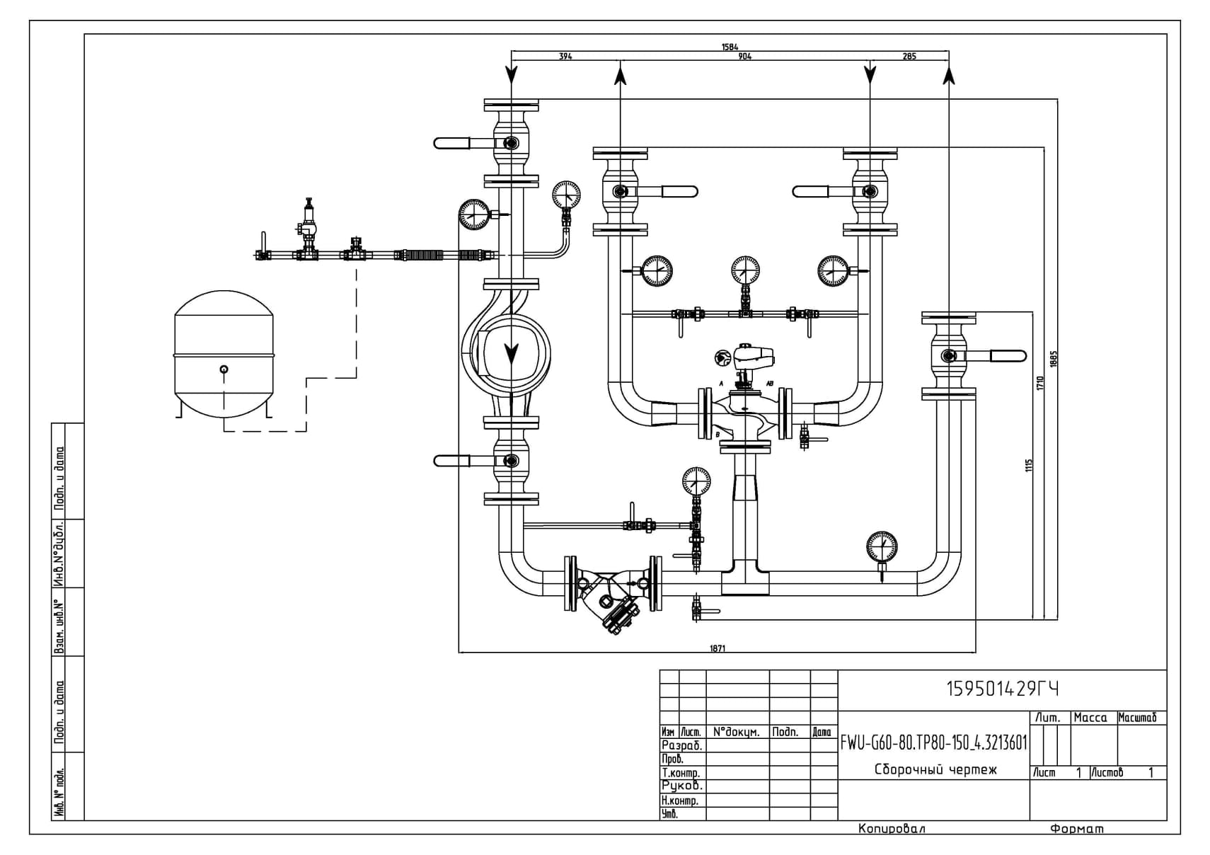
Примеры чертежей
Примеры проектов

Аэропорт Домодедово, г. Москва

Аэропорт Домодедово, пассажирский терминал

«Домодедово-2»
  • 499 смесительных узлов для нагрева, охлаждения и гликолевых рекуператров
  • Диаметры узлов от ДУ25 — ДУ100
  • 3-х мерная конструкция узлов для оптимизации габаритов
  • Резервные насосы на всех узлах

Р-Фарм, г. Ярославль

  • 91 смесительных узелов для нагрева, охлаждения и гликолевых рекуператоров
  • Диаметры узлов ДУ20 – ДУ80
  • Разработка и согласование с конечным заказчиком конструкции узлов под ограниченные габариты помещений

СКК, г. Санкт-Петербург

  • 211 смесительных узлов для охлаждения и нагрева
  • Диаметры узлов ДУ20-ДУ100
  • Разборная конструкция и специальная обрешётка для удобства транспортировки и сборки на объекте

АБИ Продакт, г. Владимир

  • 37 смесительных узлов для нагрева и низкотемпературного охлаждения (Т жидкости -2С)
  • Диаметры узлов ДУ20-ДУ125. Комплектующие, рассчитанные на использование среды с отрицательными температурами, подогреватели штоков
  • Насосы в узлах охлаждения
Стандартные смесительные узлы
Всегда в наличии на складе

Компактные смесительные узлы FWU — готовое и быстрое решение с конечными характеристиками. Налаженное серийное производство позволяет нам поддерживать стабильный складской запас. Изделие в необходимой комплектации — в собранном виде, в заводской упаковке и с понятной инструкцией — всегда найдется в наличии.

Вам остается только подобрать модель, подходящую для используемого оборудования и нагрузки, в соответствии с диаграммой и установить устройство, как указано на схеме.

Наши компактные смесительные узлы FWU помогают обеспечить бесперебойную работу жидкостных теплообменников и поддержать их производительность.

Устройства регулируют входную температуру, тем самым защищая систему от повреждений. Вы можете быть уверены в сохранности своего оборудования.

Особенности
Преимущества готовых смесительных узлов FWU
Надежная защита
Выдерживают до 130°C, обеспечивая защиту от обмерзания водяного обогревателя и стабильность температуры приточного воздуха
Легкое подключение
Достаточно установить узел, присоединить трубки и подключить привод и насос в соответствии со схемой
100% гарантия от протечек
Все готовые узлы проходят опрессовку при давлении жидкости 10 атмосфер — изделие защищено от протечек при эксплуатации
Удобная транспортировка и монтаж
Для удобства хранения, транспортировки и монтажа смесительные узлы поставляются упакованными в коробки размером 400×800×200
Мы можем почти всe
Помимо смесительных узлов, возможно производство и прочих гидравлических агрегатов.
  • Индивидуальные тепловые пункты ИТП
  • Насосные агрегаты
  • Гидравлические подсборки (обвязки) воздухоохладителей промышленного холодильного оборудования
Опишите свою задачу — и наши эксперты помогут найти оптимальное решение!